Perfis modulares e acessórios
Você está em:
- Inicial
- Segmentos
- Perfil Alumínio
- Acessórios para fechamento
- Suporte para fecho click – Perfil base 40, 45, 60 e 90
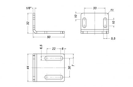
Suporte para fecho click - Perfil base 40, 45, 60 e 90
02 003 0037
descrições técnicas
Utilizado para fixação de fecho de esfera em portas de perfil;
Confeccionado em aço com acabamento zincado;
Para perfil com ranhura 10
Faça uma solicitação
Faça uma solicitação