Perfis modulares e acessórios

Você está em:

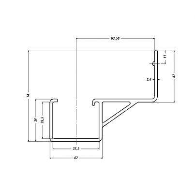
Calha Deslizante Lateral Longa

FKM-003
CALHA DESLIZANTE LATERAL LONGA

descrições técnicas

A calha deslizante lateral longa é utilizada em conjunto com o trilho Minirail completo para dar acabamento de aba lateral ao item.

 

O trilho com aba é utilizado m estruturas com quedas gravitacionais dos itens como em racks e flowracks.

 

Confeccionado em PVC na cor branco.
Comprimento da barra: 4000mm

 

Para projetar utilizando todos os itens FAMAK você pode baixar nossa biblioteca 3D disponível gratuitamente na aba de downloads.

Faça uma solicitação
Faça uma solicitação

Anexar