Perfis modulares e acessórios
Você está em:
- Inicial
- Segmentos
- Perfil Alumínio
- Acessórios
- Conector topo/face perpendicular “B” – Perfil base 40
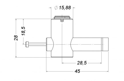
Conector topo/face perpendicular "B" - Perfil base 40
02 001 0021
descrições técnicas
Utilizado para unir perfis de topo na face lateral de outro perfil;
Confeccionado em aço zincado branco;
Utilizado em ranhura 10mm;
Perfil pode “correr” ao longo da ranhura;
Montagem requer furação;
Furo de montagem em relação ao topo 23mm no centro da ranhura;
Furo com Ø16mm;
Faça uma solicitação
Faça uma solicitação