Perfis modulares e acessórios
Você está em:
- Inicial
- Segmentos
- Perfil Alumínio
- Acessórios
- Conector angular topo/face “D” – Perfil base 45 e 90
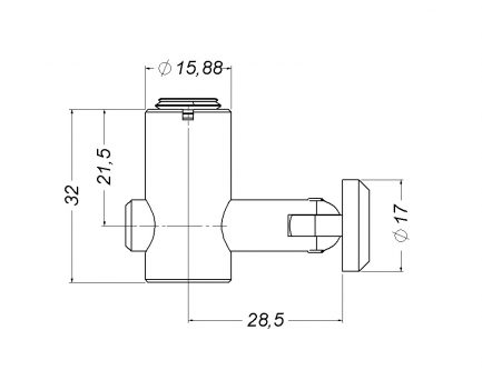
Conector angular topo/face "D" - Perfil base 45 e 90
02 001 0032
descrições técnicas
Utilizado para unir perfis cortados em ângulo contra a face de outro perfil;
Confeccionado em aço zincado branco;
Utilizado em ranhura 10mm;
Montagem requer furação;
Furo de montagem em relação ao centro do ângulo 25mm no centro da ranhura;
Furo com Ø16mm;
Faça uma solicitação
Faça uma solicitação