Perfis modulares e acessórios

Você está em:

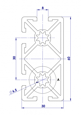
Perfil de Alumínio Estrutural 30x60 M8 4R

Perfil de Alumínio 30x60 M8 4R
Código Famak 01 001 0007

descrições técnicas

O Perfil de alumínio estrutural 30×60 M8 4R é um excelente perfil para estruturas diversas como enclausuramentos, postos de trabalho e outros projetos de ergonomia e segurança.

 

O Perfil de alumínio 30×60 tem acabamento anodizado natural, proporciona uma boa aparência à estrutura, e as opções de composição com chapas de policarbonato, ACM e outros materiais industriais dão ainda mais versatilidade no uso do perfil ao projeto de engenharia.

 

Características técnicas do Perfil de Alumínio Modular Estrutural base 30×60 M8 4R:
Ranhura 8mm
Rosca do núcleo M8
Material: AL 6060-T5
Peso: 1,67kg/m
Comprimento: 5700mm e 6000mm *Consultar estoques
Anodizado Natural

 

Todos os outros itens complementares para compor os projetos de soluções completas de alta qualidade podem ser acessados na aba Acessórios.

 

Para complementar seus projetos você pode querer ver também estes acessorios de fixação e montagem Famak:

Produtos Relacionados:

Base para pé nivelador – Perfil base 30×60

http://famak.com.br/product/parafuso-para-fixacao-direta-perfil-base-30/

Perfil para cobertura de ranhura – Perfil base 30

 

BAIXE O CATÁLOGO DE PERFIS FAMAK AQUI!

 catálogos Famak

 

Faça uma solicitação
Faça uma solicitação

Anexar