Perfis modulares e acessórios

Você está em:

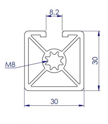
Perfil de Alumínio Estrutural 30x30 M8 1R

Perfil de alumínio 30x30 M8 1R
Código Famak 01 001 0002

descrições técnicas

O Perfil de alumínio estrutural 30×30 M8 1R é um excelente perfil para estruturas diversas como enclausuramentos, postos de trabalho e outros projetos de ergonomia e segurança.

 

O Perfil de alumínio 30×30 tem acabamento anodizado natural, proporciona uma boa aparência à estrutura, e as opções de composição com chapas de policarbonato, ACM e outros materiais industriais dão ainda mais versatilidade no uso do perfil ao projeto de engenharia.

 

Características técnicas do Perfil de Alumínio Estrutural 30×30 M8 1R:

Acabamento: Anodizado Natural
Ranhura: 8mm
Rosca do núcleo: M8
Material: AL 6060-T5
Peso: 0,915kg/m
Comprimento: Opções de 5700mm e 6000mm* (verificar disponibilidades de estoque)
Momento de inércia X: 3,20cm^4
Momento de inércia Y: 3,45cm^4
Área de seção: 3,71cm^2

 

Todos os outros itens complementares para compor os projetos de soluções completas de alta qualidade podem ser acessados na aba Acessórios.

 

Produtos Relacionados

Perfil montagem de chapa – Perfil base 30

Tampa de acabamento – Perfil base 30×30

http://famak.com.br/product/porca-martelo-perfil-base-30-m4/

 

 

BAIXE O CATÁLOGO DE PERFIS FAMAK AQUI!

 catálogos Famak

 

Faça uma solicitação
Faça uma solicitação

Anexar